
Ganz gleich ob kleine oder große Baumaschine wir haben den richtigen Fahrmotor für Sie.
Wenn Sie auf der Suche nach speziellem Bagger Zubehör für Ihren Bagger sind, dann haben wir auch dafür immer eine Lösung für Sie parat.
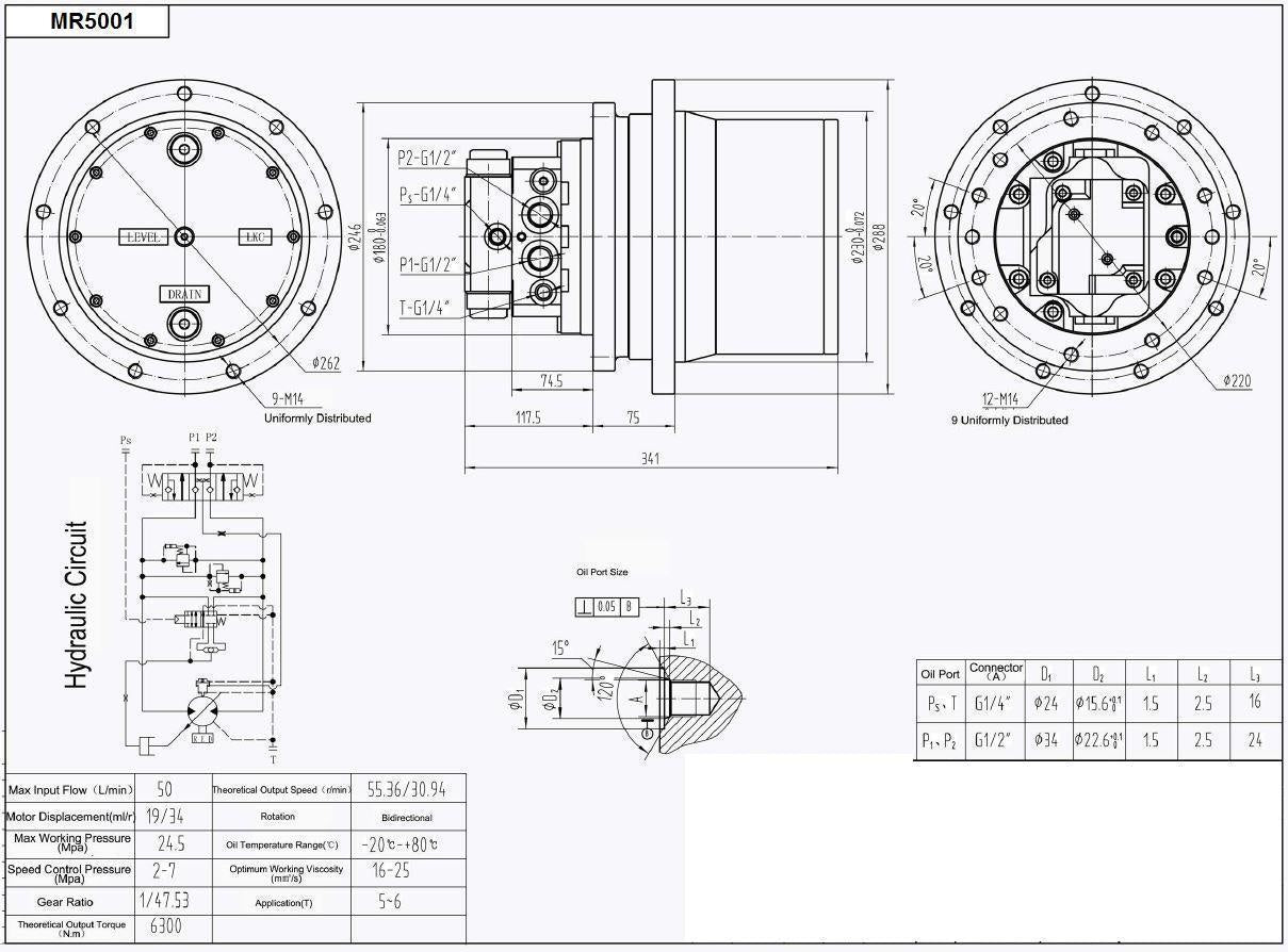
Produktname: Fahrmotor, Endantrieb, MR5001
- Rasante Lieferung in wenigen Tagen
- Top Qualität zum günstigen Preis
- Erstklassige OEM Fahrmotoren
- Zügiger Austausch des Antriebs dank leicht verständlicher Montageanleitung
- Strapazierfähig und zuverlässig in allen Anwendungsbereichen
Unsere Fahrmotoren in Originalherstellerqualität für Ihre Ihre Baumaschine
Wir arbeiten mit namenhaften Markenherstellern, wie z.B. Nachi, Kayaba oder Bonfigioli, zusammen und können Ihnen dadurch sogenannte OEM (Original Equipment Manufacturer) Produkte anbieten. Die Hersteller beliefern nicht nur uns, sondern auch die Baumaschinenhersteller. Dadurch erhalten Sie Fahrmotoren in hochwertiger Erstausrüsterqualität.
Lange Nutzungsdauer und Zuverlässigkeit des Fahrmotors in jedem Einsatzbereich
Antriebsmotoren müssen schwere Arbeit leisten auf einem hohen Leistungsniveau. Da kann es vorkommen das ein Motor mal am Ende ist . Für diese Fälle bieten wir Ihnen einen Fahrmotor in Originalherstellerqualität mit einem angemessenen Preis- und Leistungsverhältnis an. Wir möchten Ihnen die beste Qualität liefern, daher werden bei der Herstellung der Antriebsmotoren ausschließlich hochwertige Materialien eingesetzt. Dabei sorgen unter anderem auch Hochleistungslager und effektive Dichtungen für eine lange Lebensdauer der Antriebsmotoren. Hohe Strapazierfähigkeit und Robustheit spiegeln ebenfalls die Qualität wieder, sodass Ihre Baumaschine wieder die volle Leistung erbringen kann. Außerdem führen wir vor Auslieferung Ihres Antriebs einen gründlichen Testlauf durch, um Ihnen die Verlässlichkeit sicherzustellen.
Zügige Lieferung Ihrer Ersatz ? und Verschleißteile in wenigen Tagen
Sie benötigen dringend Ersatz für Ihren ausgefallenden Fahrmotor ? Da können wir Ihnen mit unserem großen Lager in kurzer Zeit weiterhelfen . M & R Maschinen- und Fahrzeughandel haben immer rund 200-300 Fahrmotoren für jegliche Marken vorrätig.Ganz gleich ob Hanix, Cat, Terex, Kubota, Komatsu, Eurocomach, Bobcat, Yanmar, Schaeff, Takeuchi oder auch viele andere. Sollten wir einmal einen Motor nicht vorrätig haben, können wir Ihnen durch unsere zuverlässigen Lieferanten schnellstmöglich Ihren Fahrantrieb liefern . So ist Ihre Maschine schnellstmöglich wieder einsatzbereit und die Ausfallzeit bleibt so kurz wie möglich.
Fachkompetente Beratung von M & R Maschinen- und Fahrzeughandel rund um Ihren Kettenbagger
Alle Servicemitarbeiter von M & R Maschinen- und Fahrzeughandel zeichnet langjährige Erfahrung und eine hohe Fachkompetenz für Baumaschinen aus. Wenn sie eine fachliche Beratung für Ihren Minibagger wünschen, dann kontaktieren Sie uns gerne . Unser Team unterstützt sie gerne bei der Suche Ihres perfekten Antriebs für Ihre Baumaschine .Weiterführende Links zu "Fahrmotor, Endantrieb, Caterpillar, CAT 305CR, 304CCR, Minibagger"
Alternativ können Sie die Shopsuche verwenden (Volltext oder nach ET-Nummer).